Distributore LioN-Link 8DI 4DO-AI (8xM12) 7/8" con cavo power Supply Plastic 60 mm
Distributore LioN-Link 8DI 4DO-AI (8xM12) 7/8″ con cavo power Supply Plastic 60 mm
![]()
Download datasheet
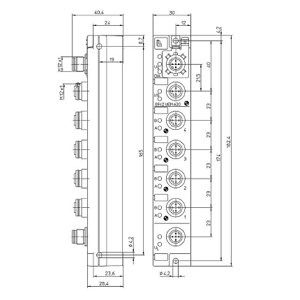
0942 UEM 783 – LioN-Link Motion module with 8 digital inputs and 4 universal outputs that can be configured for the connection of brushless motors, DC motors or for valves. System specific specifications such as speed and acceleration/deceleration can be transmitted via the DP-V1 (Only with 0940 PSL 602) protocol. Power supply is via a connecting cable with 7/8″ connector. Plastic, 60 mm
Descrizione
Technnical data
Environmental
Degree of protection IP 67
Operating temperature range -10°C/+60°C
Weight 175 g
Housing material PBT
System/sensors power supply US
Rated voltage 24 V DC
Voltage range 19–30 V DC
Power consumption typ. 100 mA
Reverse polarity protection no
Operating indication LED green
Input power supply US
Voltage range 24 V DC
Sensor current 700 mA/module
Short circuit proof yes
Indication LED green
Connection M12 connector (5 poles),
see pin assignment
Input wiring Type 3 acc. to IEC 61131-2
Rated input voltage 24 V DC
Input current at 24 V DC typ. 5 mA
Short circuit proof
sensor supply yes
Channel type N.O. p-switching
Number of digital channels max. 8
Channel status indicator LED yellow per channel
Diagnostic indication LED red per channel
Connection M12 coupling (5 poles),
see pin assignment
Output power supply UL
Rated voltage 24 V DC
Voltage range 19–27 V DC
Reverse polarity protection yes/antiparallel diode
Indication LED green
Connection 7/8″ connector (3 poles), see pin assignment
Output wiring I Type 3 acc. to IEC 61131-2
Output module Pin 2
Rated output current 1.5 A per channel
Signal status “1” max. 4 A (max. 50 ms)
Signal status “0” max. 1 mA (standard specification)
Short circuit proof yes
Max. output current 7.2 A per module
Overload proof yes
Number of digital channels max. 4
Channel type N.O. p-switching
Channel status indicator LED yellow per channel
Diagnostic indication LED red per channel
Connection M12 coupling (5 poles),
see pin assignment
Output wiring II Output module Pin 5
Voltage range 0–10 V DC (motor dependent)
Number of channels max. 4 analog
Channel type PWM output
Connection M12 coupling (5 poles),
see pin assignment
Included in delivery/accessories
Dust covers M12, attachable labels








