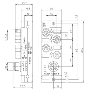
M16 pannello retro femmina diritto saldare IP68 standard AISG
M16 pannello retro femmina diritto saldare IP68 standard AISG

Download datasheet
0305-1 05-3 Series 03 receptacle connector back mounting standard AISG IP68, 5 poles female axial, wire section 0,75mmq, solder termination
0305-1 08-1 Series 03 receptacle connector back mounting standard AISG IP68, 8 poles female axial, wire section 0,75mmq, solder termination
Descrizione
Circular connectors with threaded joint M16 acc. to IEC 61076-2-106, IP40/IP68 Chassis socket acc. to AISG specification and IEC 61076-2-106, IP68, with threaded joint and solder terminals, for back side mounting
Technical Data
Temperature range:-40 °C/+85 °C
Materials
Insulating body:PA GF, V-0 according to UL94
Contact bush:CuZn, silver-plated and flash gold-plated
Housing:Zn diecast, pre-copper and nickel-plated
Mechanical data
Insertion force/contact:≤ 5.0 N *1
Withdrawal force/contact:≥ 1.2 N *2
Protection class:IP68 *3
1) measured with a polished steel pin, nominal thickness 1.5 mm
2) measured with a polished steel pin, nominal thickness 1.5 mm
3) according to IEC DIN EN 60529, only in locked condition with an appropriate counterpart; IPX8 requirements under agreement between manufacturer and user
Connectable conductors for solder area
Section:≤ 0.75 mm² (AWG 20)
Electrical data (at Tamb 20 °C)
Contact resistance:≤ 5 mΩ
Rated current:5 A (Tamb 40 °C)
Rated voltage:100 V (with pollution degree 1)
32 V (with pollution degree 2)
Rated impulse voltage:500 V



Processing instructions
3D view (PDF)
CAD models








